Report-V 4100
Uher Werke; München
- Country
- Germany
- Manufacturer / Brand
- Uher Werke; München
- Year
- 1971–1973
- Category
- Sound/Video Recorder and/or Player
- Radiomuseum.org ID
- 28572
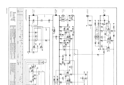
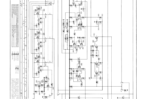
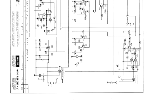
Click on the schematic thumbnail to request the schematic as a free document.
- Number of Transistors
- 31
- Semiconductors
- Main principle
- Audio-Amplification
- Wave bands
- - without
- Details
- Tape Recorder
- Power type and voltage
- Line / Batteries (any type) / 110-130; 220-240 / 5×1,5 Volt
- Loudspeaker
- Permanent Magnet Dynamic (PDyn) Loudspeaker (moving coil) - elliptical
- Power out
- 0.5 W (unknown quality)
- Material
- Metal case
- from Radiomuseum.org
- Model: Report-V 4100 - Uher Werke; München
- Shape
- Portable set > 8 inch (also usable without mains)
- Dimensions (WHD)
- 280 x 90 x 220 mm / 11 x 3.5 x 8.7 inch
- Notes
- HiFi-Vollspur. Bandgeschwindigkeit: 19 cm/s; Spulen-Ø: 13 cm; Übertragungsbereich: 40-16000 Hz. Semiprofessionelles Gerät nach Studionorm; abschaltbare Aussteuerungsautomatik; Entzerrung nach NARTB und CCIR umschaltbar. Für Betrieb in vertikaler und horizontaler Lage geeignet.
- Net weight (2.2 lb = 1 kg)
- 3.8 kg / 8 lb 5.9 oz (8.37 lb)
- Price in first year of sale
- 1,332.00 DM
- External source of data
- Erb
- Source of data
- Handbuch VDRG 1971/1972 / Radiokatalog Band 2, Ernst Erb
- Other Models
-
Here you find 344 models, 317 with images and 177 with schematics for wireless sets etc. In French: TSF for Télégraphie sans fil.
All listed radios etc. from Uher Werke; München
Collections
The model Report-V is part of the collections of the following members.