- Land
- Neuseeland-Aotearoa
- Hersteller / Marke
- Ultimate (Brand), Radio Ltd. & Radio (1936) Ltd.; Auckland
- Jahr
- 1938
- Kategorie
- Rundfunkempfänger (Radio - oder Tuner nach WW2)
- Radiomuseum.org ID
- 339234
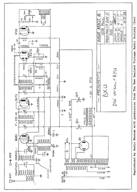
Klicken Sie auf den Schaltplanausschnitt, um diesen kostenlos als Dokument anzufordern.
- Anzahl Röhren
- 5
- Hauptprinzip
- Superhet allgemein; ZF/IF 256 kHz; 2 NF-Stufe(n)
- Anzahl Kreise
- 6 Kreis(e) AM
- Wellenbereiche
- Mittelwelle, keine anderen.
- Betriebsart / Volt
- Wechselstromspeisung / 230 Volt
- Lautsprecher
- Dynamischer LS, mit Erregerspule (elektrodynamisch)
- Material
- Gerät mit Holzgehäuse
- von Radiomuseum.org
- Modell: Ultimate BXU - Ultimate Brand, Radio Ltd. &
- Form
- Tischgerät-gross, - Querformat (breiter als hoch oder quadratisch).
- Bemerkung
-
5-Valve superhet broadcast (MW) table chest model receiver.
See also dual wave Ultimate Model BYU.
Manufactured by Radio (1936) Ltd.
- Literaturnachweis
- -- Original prospect or advert (New Zealand Herald 10 March 1938 Page 20)
- Autor
- Modellseite von Brian Stevens angelegt. Siehe bei "Änderungsvorschlag" für weitere Mitarbeit.
- Weitere Modelle
-
Hier finden Sie 165 Modelle, davon 141 mit Bildern und 147 mit Schaltbildern.
Alle gelisteten Radios usw. von Ultimate (Brand), Radio Ltd. & Radio (1936) Ltd.; Auckland