Tri Unda 700
Unda Radio; Como, Dobbiaco
- Country
- Italy
- Manufacturer / Brand
- Unda Radio; Como, Dobbiaco
- Year
- 1936
- Category
- Broadcast Receiver - or past WW2 Tuner
- Radiomuseum.org ID
- 30775
Click on the schematic thumbnail to request the schematic as a free document.
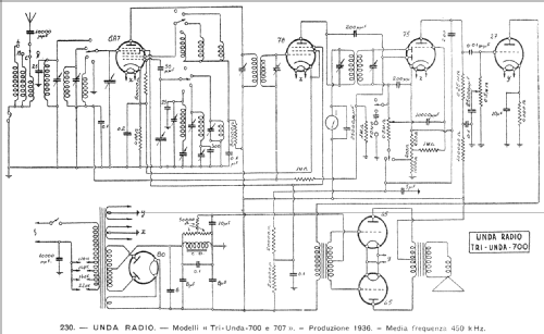
- Number of Tubes
- 7
- Main principle
- Superheterodyne (common); ZF/IF 450 kHz
- Tuned circuits
- 6 AM circuit(s)
- Wave bands
- Broadcast plus 2 Short Wave bands.
- Power type and voltage
- Alternating Current supply (AC) / 110-220 Volt
- Loudspeaker
- Electro Magnetic Dynamic LS (moving-coil with field excitation coil)
- Material
- Wooden case
- from Radiomuseum.org
- Model: Tri Unda 700 - Unda Radio; Como, Dobbiaco
- Shape
- Tablemodel, high profile (upright - NOT Cathedral nor decorative).
- Notes
- Indicatore ottico di sintonia.
Meter
- Source of data
- Guida Pratica Antique Radio II (2000)
- Literature/Schematics (1)
- Il Radio Libro (E.D. Ravalico) Edizioni Hoepli
- Author
- Model page created by Alessandro De Poi. See "Data change" for further contributors.
- Other Models
-
Here you find 243 models, 163 with images and 179 with schematics for wireless sets etc. In French: TSF for Télégraphie sans fil.
All listed radios etc. from Unda Radio; Como, Dobbiaco
Collections
The model Tri Unda is part of the collections of the following members.