984248 Pontiac
United Motors Service (Delco)
- Land
- USA
- Hersteller / Marke
- United Motors Service (Delco)
- Jahr
- 1948
- Kategorie
- Autoradio, evtl. kombiniert mit Tonspeichergerät
- Radiomuseum.org ID
- 64360
-
- anderer Name: Delco Radio Corp. (Appliance) || Delco-Remy Division, General Motors Corp. || United Motors Service Delco General Motors
- Marke: Chieftain || Delco
Klicken Sie auf den Schaltplanausschnitt, um diesen kostenlos als Dokument anzufordern.
- Anzahl Röhren
- 7
- Hauptprinzip
- Super mit HF-Vorstufe; ZF/IF 260 kHz
- Wellenbereiche
- Mittelwelle, keine anderen.
- Betriebsart / Volt
- AKKU-Speisung (für alles, z.B. bei Autoradios und Amateurgeräten) / =6 Volt
- Lautsprecher
- Dynamischer LS, keine Erregerspule (permanentdynamisch) / Ø 8 inch = 20.3 cm
- Material
- Metallausführung
- von Radiomuseum.org
- Modell: 984248 Pontiac - United Motors Service Delco
- Form
- Chassis - Einbaugerät
- Bemerkung
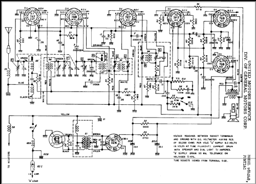
- vibrator for +B;
- Datenherkunft extern
- Ernst Erb
- Schaltungsnachweis
- Rider's Perpetual, Volume 18 = 1949 and before
- Weitere Modelle
-
Hier finden Sie 585 Modelle, davon 341 mit Bildern und 548 mit Schaltbildern.
Alle gelisteten Radios usw. von United Motors Service (Delco)