Delco R687
United Motors Service (Delco)
- Country
- United States of America (USA)
- Manufacturer / Brand
- United Motors Service (Delco)
- Year
- 1940
- Category
- Car Radio, perhaps also + sound player/recorder
- Radiomuseum.org ID
- 64546
-
- alternative name: Delco Radio Corp. (Appliance) || Delco-Remy Division, General Motors Corp. || United Motors Service Delco General Motors
- Brand: Chieftain || Delco
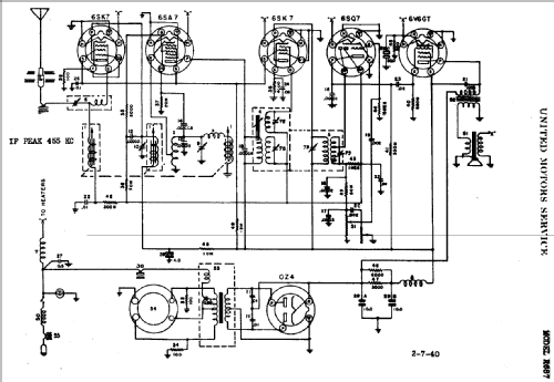
Click on the schematic thumbnail to request the schematic as a free document.
- Number of Tubes
- 6
- Main principle
- Superhet with RF-stage; ZF/IF 455 kHz
- Wave bands
- Broadcast only (MW).
- Power type and voltage
- Storage Battery for all (e.g. for car radios and amateur radios) / =6 Volt
- Loudspeaker
- Electro Magnetic Dynamic LS (moving-coil with field excitation coil)
- Material
- Metal case
- from Radiomuseum.org
- Model: Delco R687 - United Motors Service Delco
- Shape
- Chassis only or for «building in»
- Notes
- vibrator for +B;
- External source of data
- Ernst Erb
- Circuit diagram reference
- Rider's Perpetual, Volume 12 = ca. 1941 and before
- Other Models
-
Here you find 585 models, 343 with images and 548 with schematics for wireless sets etc. In French: TSF for Télégraphie sans fil.
All listed radios etc. from United Motors Service (Delco)