- Pays
- Espagne
- Fabricant / Marque
- Vica (Talleres), Capdevila; Barcelona
- Année
- 1963 ?
- Catégorie
- Récepteur de télévision ou moniteur
- Radiomuseum.org ID
- 315392
Cliquez sur la vignette du schéma pour le demander en tant que document gratuit.
- No. de tubes
- 18
- Lampes / Tubes
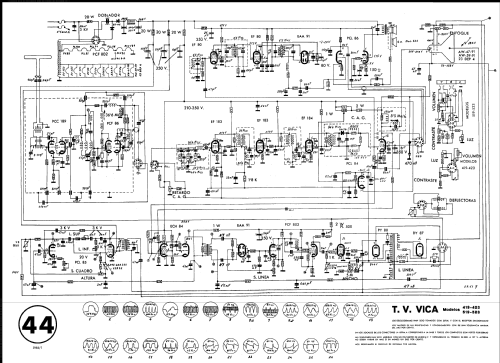
- PCC189 PCF86 EF183 EF183 EF184 PCL84 PCL85 ECH84 EAA91 PCF802 PL500 PY88 DY87 EF80 EF80 EAA91 PCL86 AW59-91 or 23DEP4
- No. de transistors
- Principe général
- Super hétérodyne avec étage HF; 2 Etage(s) BF
- Gammes d'ondes
- VHF/UHF (voir details en note)
- Particularités
- Télécommande par HF ou fil
- Tension / type courant
- Alimentation Courant Alternatif (CA) / 125 Volt
- Haut-parleur
- HP dynamique à aimant permanent + bobine mobile
- De Radiomuseum.org
- Modèle: 519 - Vica Talleres, Capdevila;
- Forme
- Modèle de table profil bas (grand modèle).
- Remarques
-
Vica modelo 519
TV B/N 19" con selector rotativo de VHF.
Mando a distancia por cable (encendido, volumen, contraste y luz con célula en el mando)
- Littérature
- Esquemario TV REDE, Tomo I, 1964
- Schémathèque (1)
- -- Schematic
- Auteur
- Modèle crée par Miguel Bravo-Cos. Voir les propositions de modification pour les contributeurs supplémentaires.
- D'autres Modèles
-
Vous pourrez trouver sous ce lien 116 modèles d'appareils, 90 avec des images et 31 avec des schémas.
Tous les appareils de Vica (Talleres), Capdevila; Barcelona