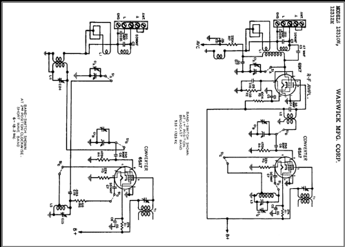
Clarion 12310W Ch= 12310
Warwick Mfg. Corp., Chicago (Clarion)
- País
- Estados Unidos
- Fabricante / Marca
- Warwick Mfg. Corp., Chicago (Clarion)
- Año
- 1947/1948
- Categoría
- Radio - o Sintonizador pasado WW2
- Radiomuseum.org ID
- 64917
-
- alternative name: Templeton
Haga clic en la miniatura esquemática para solicitarlo como documento gratuito.
- Numero de valvulas
- 6
- Principio principal
- Superheterodino con paso previo de RF; ZF/IF 455 kHz; 2 Etapas de AF
- Número de circuitos sintonía
- 7 Circuíto(s) AM
- Gama de ondas
- OM y OC
- Especialidades
- Tocadiscos-autom o no-no sabemos
- Tensión de funcionamiento
- Red: Corriente alterna (CA, Inglés = AC) / 110-120 Volt
- Altavoz
- Altavoz dinámico (de imán permanente) / Ø 7.5 inch = 19.1 cm
- Material
- Madera
- de Radiomuseum.org
- Modelo: Clarion 12310W Ch= 12310 - Warwick Mfg. Corp., Chicago
- Forma
- Consola en general
- Anotaciones
- Model Clarion 12310W with chassis 12310 is made by Warwick Mfg. Corp, Chicago. The AC operated combination phono-radio is an AM-FM superheterodyne with loop antenna. The short wave band is from 6 to 18.2 mc and the broadcast from 535 to 1725 kc. You can find the same chassis in Clarion 12310M.
- Ext. procedencia de los datos
- Ernst Erb
- Procedencia de los datos
- The Radio Collector's Directory and Price Guide 1921 - 1965
- Referencia esquema
- Rider's Perpetual, Volume 17 = 1948 and before
- Mencionado en
- Collector's Guide to Antique Radios (7th Edition)
- Documentación / Esquemas (1)
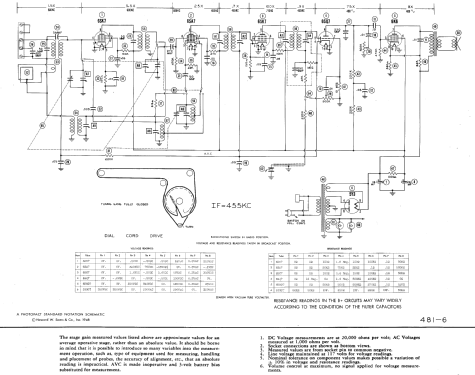
- Photofact Folder, Howard W. SAMS (Date 1-48, set 31, folder 481-6)
- Documentación / Esquemas (2)
- Radio Retailing (Radio & Television R.) (September 1947 page 32.)
- Otros modelos
-
Donde encontrará 472 modelos, 77 con imágenes y 435 con esquemas.
Ir al listado general de Warwick Mfg. Corp., Chicago (Clarion)