- Produttore / Marca
- Webster Electric (Electrical) Co. (Teletalk); Racine (WI)
- Anno
- 1950 ?
- Categoria
- Registratore audio/video e/o riproduttore
- Radiomuseum.org ID
- 340944
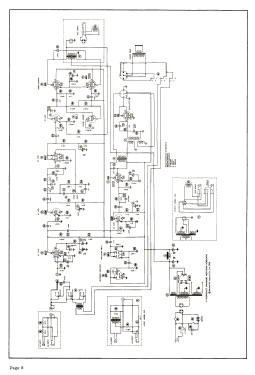
Clicca sulla miniatura dello schema per richiederlo come documento gratuito.
- Numero di tubi
- 11
- Principio generale
- Amplificatore audio
- Gamme d'onda
- - senza
- Tensioni di funzionamento
- Alimentazione a corrente alternata (CA) / 60 Hz, 115V = 110 -120 Volt
- Altoparlante
- 2 altoparlanti
- Materiali
- Mobile di metallo
- Radiomuseum.org
- Modello: Ekotape 101-4 - Webster Electric Electrical Co
- Forma
- Soprammobile con qualsiasi forma (non saputo).
- Annotazioni
-
The Webster electric ekotape recorder is designed to magnetically record and play back a recording on a standard 7" reel, .248" widt ribbon at a standard RMA speed of 7-1/2 inches per second . The mechanical unit incorporates two controls.The main control determines the tape speed and connects the necessary circuits for "rewind," "stop," " listen,"and "record" (and "erase") positions. The fast-forward control is used to step up forward speed when the main control is turned to " listen." The "ekotape" can also be used as a PA system.
Model 101-4 115-volt, 60-cycle, sandard unit.
- Letteratura / Schemi (1)
- Photofact Folder, Howard W. SAMS (Set 116, Folder 12 dated 12-50)
- Autore
- Modello inviato da Dirk Taekels. Utilizzare "Proponi modifica" per inviare ulteriori dati.
- Altri modelli
-
In questo link sono elencati 110 modelli, di cui 97 con immagini e 72 con schemi.
Elenco delle radio e altri apparecchi della Webster Electric (Electrical) Co. (Teletalk); Racine (WI)