- Country
- Germany
- Manufacturer / Brand
- Wega, Württembergische Radio-Ges. mbH; Stuttgart, Fellbach
- Year
- 1942/1943
- Category
- Broadcast Receiver - or past WW2 Tuner
- Radiomuseum.org ID
- 3867
-
- alternative name: Württemb. Radio-Ges.mbH; Stuttgart
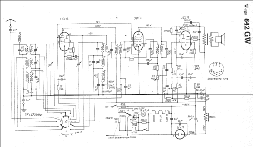
Click on the schematic thumbnail to request the schematic as a free document.
- Number of Tubes
- 4
- Main principle
- Superheterodyne (common); ZF/IF 473 kHz
- Tuned circuits
- 6 AM circuit(s)
- Wave bands
- Broadcast, Long Wave and Short Wave.
- Power type and voltage
- AC/DC-set / 110-220 Volt
- Loudspeaker
- Permanent Magnet Dynamic (PDyn) Loudspeaker (moving coil)
- Material
- Bakelite case
- from Radiomuseum.org
- Model: 642GW - Wega, Württembergische Radio-
- Shape
- Tablemodel, low profile (big size).
- Dimensions (WHD)
- 270 x 200 x 100 mm / 10.6 x 7.9 x 3.9 inch
- Source of data
- Radiokatalog Band 1, Ernst Erb
- Circuit diagram reference
- Lange + Schenk Nr. 30 von 1948
- Mentioned in
- Radio Nostalgie
- Other Models
-
Here you find 673 models, 599 with images and 393 with schematics for wireless sets etc. In French: TSF for Télégraphie sans fil.
All listed radios etc. from Wega, Württembergische Radio-Ges. mbH; Stuttgart, Fellbach
Collections
The model is part of the collections of the following members.