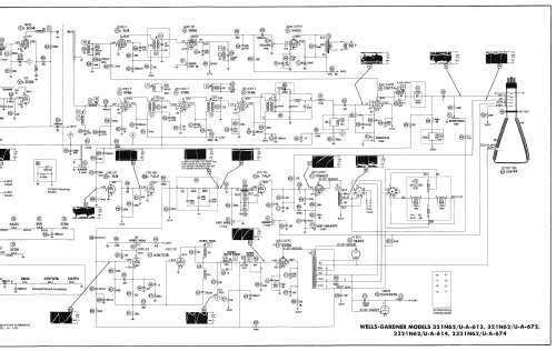
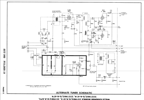
2321A62U-D-614
Wells-Gardner & Co.; Chicago
- Produttore / Marca
- Wells-Gardner & Co.; Chicago
- Anno
- 1957 ?
- Categoria
- Televisore (TV) / Monitor
- Radiomuseum.org ID
- 317635
Clicca sulla miniatura dello schema per richiederlo come documento gratuito.
- Numero di tubi
- 17
- Valvole
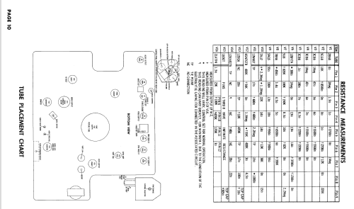
- 2AF4 2BN4 5CG8 3CB6 3CB6 3CB6 12BY7A 5U8 3BN6 5AQ5 7AU7 12W6GT 6SN7GTB 12DQ6 or 12CU6 or 12BQ6GA 12AX4GTA 1B3GT 21ATP4
- Principio generale
- Supereterodina con stadio RF
- Gamme d'onda
- Gamme d'onda nelle note.
- Tensioni di funzionamento
- Alimentazione a corrente alternata (CA) / 60 Hz, 117V = 110 -120 Volt
- Altoparlante
- AP magnetodinamico (magnete permanente e bobina mobile) / Ø 6 inch = 15.2 cm
- Materiali
- Mobile in legno
- Radiomuseum.org
- Modello: 2321A62U-D-614 - Wells-Gardner & Co.; Chicago
- Forma
- Soprammobile con qualsiasi forma (non saputo).
- Annotazioni
- 
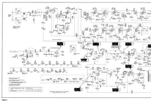
        Wells-Gardner model 2321A62U-D-614 is a 21" b/w TV with US standard VHF tuner channels 2 thru 13, and 14 thru 83 UHF. Equipped with VHF- UHF tuner 25A1145 and picture tube 21ATP4. 
- Bibliografia
- Photofact Folder, Howard W. SAMS (Set 380 Folder 1 Production Changes Bulletin 194 dated 12-57)
- Letteratura / Schemi (1)
- Photofact Folder, Howard W. SAMS (Set 369 Folder 19 dated 9-57)
- Autore
- Modello inviato da Dirk Taekels. Utilizzare "Proponi modifica" per inviare ulteriori dati.
- Altri modelli
- 
        In questo link sono elencati 327 modelli, di cui 104 con immagini e 297 con schemi. 
 Elenco delle radio e altri apparecchi della Wells-Gardner & Co.; Chicago
 
                
                
                
                
                
                
                
                
                
                
                
                
                
                
                
               