321AS58 Series
Wells-Gardner & Co.; Chicago
- Country
- United States of America (USA)
- Manufacturer / Brand
- Wells-Gardner & Co.; Chicago
- Year
- 1956 ?
- Category
- Television Receiver (TV) or Monitor
- Radiomuseum.org ID
- 296893
Click on the schematic thumbnail to request the schematic as a free document.
- Number of Tubes
- 21
- Valves / Tubes
- 6AF4 6BZ7 6U8 6CB6 6CB6 6CB6 6AL5 12BY7 6AU6 6AL5 6AV6 6AQ5 12AU7 6SN7GTA 6AL5 6SN7GTA 6CU6 6AX4GT 1B3GT 5U4GA 21ZP4B
- Main principle
- Superhet with RF-stage
- Wave bands
- Wave Bands given in the notes.
- Power type and voltage
- Alternating Current supply (AC) / 60 cycles, 117V = 110 -120 Volt
- Loudspeaker
- Permanent Magnet Dynamic (PDyn) Loudspeaker (moving coil) / Ø 8 inch = 20.3 cm
- Material
- Wooden case
- from Radiomuseum.org
- Model: 321AS58 Series - Wells-Gardner & Co.; Chicago
- Shape
- Console, Lowboy (legs < 50 %).
- Notes
-
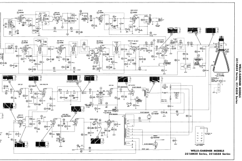
THE WELLS- GARDNER model 321AS58 Series is a 21" b/w TV with US standard VHF Tuner channels 2 thru 13, 14 thru 83 UHF.Equipped with VHF- UHF Tuner 25A1128 and picture tube 21ZP4B.
- Literature/Schematics (1)
- Photofact Folder, Howard W. SAMS (Set 315 Folder 14 Dated 5-56)
- Author
- Model page created by Dirk Taekels. See "Data change" for further contributors.
- Other Models
-
Here you find 327 models, 104 with images and 297 with schematics for wireless sets etc. In French: TSF for Télégraphie sans fil.
All listed radios etc. from Wells-Gardner & Co.; Chicago