321N62-D-672
Wells-Gardner & Co.; Chicago
- Country
- United States of America (USA)
- Manufacturer / Brand
- Wells-Gardner & Co.; Chicago
- Year
- 1957 ?
- Category
- Television Receiver (TV) or Monitor
- Radiomuseum.org ID
- 317632
Click on the schematic thumbnail to request the schematic as a free document.
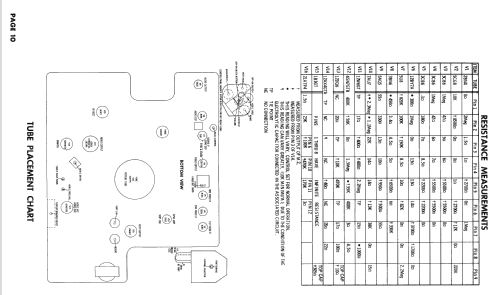
- Number of Tubes
- 17
- Valves / Tubes
- 2AF4 2BN4 5CG8 3CB6 3CB6 3CB6 12BY7A 5U8 3BN6 5AQ5 7AU7 12W6GT 6SN7GTB 12DQ6 or 12CU6 or 12BQ6GA 12AX4GTA 1B3GT 21ATP4
- Main principle
- Superhet with RF-stage
- Wave bands
- Wave Bands given in the notes.
- Power type and voltage
- Alternating Current supply (AC) / 60 Hz, 117V = 110 -120 Volt
- Loudspeaker
- Permanent Magnet Dynamic (PDyn) Loudspeaker (moving coil) / Ø 6 inch = 15.2 cm
- Material
- Wooden case
- from Radiomuseum.org
- Model: 321N62-D-672 - Wells-Gardner & Co.; Chicago
- Shape
- Tablemodel, with any shape - general.
- Notes
-
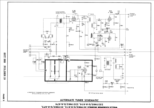
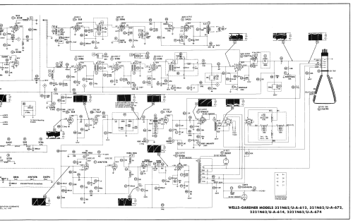
Wells-Gardner model 321N62-D-672 is a 21" b/w TV with US standard VHF tuner channels 2 thru 13, and 14 thru 83 UHF. Equipped with VHF- UHF tuner 25A1145 and picture tube 21ATP4.
- Mentioned in
- Photofact Folder, Howard W. SAMS (Set 380 Folder 1 Production Changes Bulletin 194 dated 12-57)
- Literature/Schematics (1)
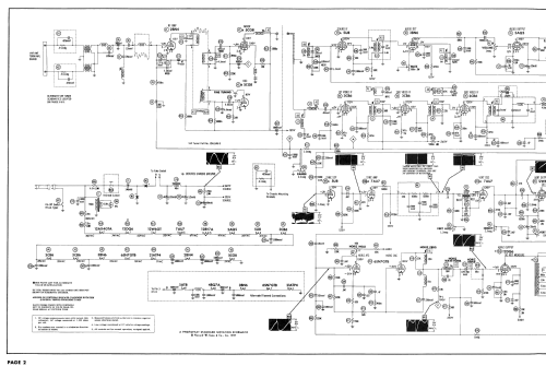
- Photofact Folder, Howard W. SAMS (Set 369 Folder 19 dated 9-57)
- Author
- Model page created by Dirk Taekels. See "Data change" for further contributors.
- Other Models
-
Here you find 327 models, 104 with images and 297 with schematics for wireless sets etc. In French: TSF for Télégraphie sans fil.
All listed radios etc. from Wells-Gardner & Co.; Chicago