DS 225
West; Milano
- Country
- Italy
- Manufacturer / Brand
- West; Milano
- Year
- 1964 ??
- Category
- Broadcast Receiver - or past WW2 Tuner
- Radiomuseum.org ID
- 333309
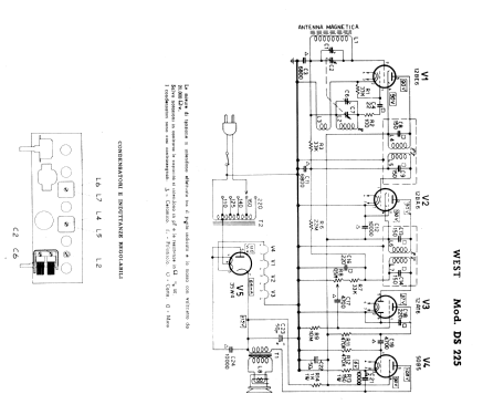
Click on the schematic thumbnail to request the schematic as a free document.
- Number of Tubes
- 5
- Main principle
- Superheterodyne (common)
- Tuned circuits
- 6 AM circuit(s)
- Wave bands
- Broadcast only (MW).
- Power type and voltage
- Alternating Current supply (AC) / 110; 125; 140; 160; 220 Volt
- Loudspeaker
- Permanent Magnet Dynamic (PDyn) Loudspeaker (moving coil)
- from Radiomuseum.org
- Model: DS 225 - West; Milano
- Mentioned in
- -- Schematic (Scuola Radio Elettra, Corso Radio Stereo, 1964/65 Schemario/Abaco.)
- Author
- Model page created by Pier Antonio Aluffi. See "Data change" for further contributors.
- Other Models
-
Here you find 45 models, 24 with images and 15 with schematics for wireless sets etc. In French: TSF for Télégraphie sans fil.
All listed radios etc. from West; Milano