Truetone 2D1089B
Western Auto Supply Co. (Truetone); Kansas City (MO)
- Land
- USA
- Hersteller / Marke
- Western Auto Supply Co. (Truetone); Kansas City (MO)
- Jahr
- 1951 ?
- Kategorie
- Fernseh-Empfänger/Monitor
- Radiomuseum.org ID
- 348607
Klicken Sie auf den Schaltplanausschnitt, um diesen kostenlos als Dokument anzufordern.
- Anzahl Röhren
- 23
- Röhren
- 6BC5 6J6 6AG5 6AG5 6AG5 6AL5 12AT7 12AU7 6AU6 6BA6 6AU6 6AL5 6AT6 or 6AV6 6AQ5 6SN7GT 6S4 or 6AQ5 6AL5 6SN7GT 6BG6G 6W4GT 1X2A or 1X2 5U4G 16GP4
- Hauptprinzip
- Super mit HF-Vorstufe
- Wellenbereiche
- Wellen in den Bemerkungen.
- Betriebsart / Volt
- Wechselstromspeisung / 60 Hz, 117V = 110 -120 Volt
- Lautsprecher
- Dynamischer LS, keine Erregerspule (permanentdynamisch)
- Material
- Gerät mit Holzgehäuse
- von Radiomuseum.org
- Modell: Truetone 2D1089B - Western Auto Supply Co.
- Form
- Standgerät auf niedrigen Beinen (Beine < 50 % der Gesamthöhe).
- Bemerkung
-
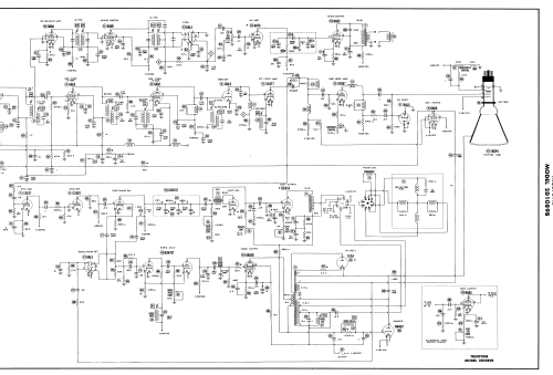
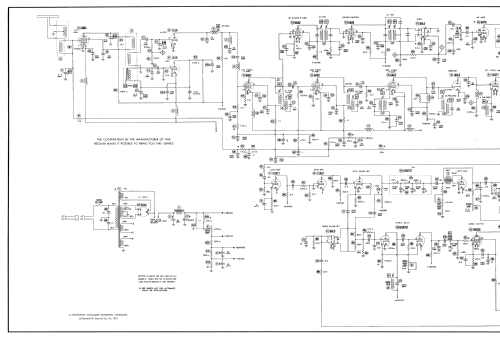
Truetone model 2D1089B is a 16” b/w TV with US standard VHF tuner channels 2 thru 13.
Equipped with VHF tuner 25A1071 and picture tube 16GP4.
- Literatur/Schema (1)
- Photofact Folder, Howard W. SAMS (Set 136, folder 14, dated 6-51)
- Autor
- Modellseite von Dirk Taekels angelegt. Siehe bei "Änderungsvorschlag" für weitere Mitarbeit.
- Weitere Modelle
-
Hier finden Sie 917 Modelle, davon 530 mit Bildern und 811 mit Schaltbildern.
Alle gelisteten Radios usw. von Western Auto Supply Co. (Truetone); Kansas City (MO)