D1992 Truetone
Western Auto Supply Co. (Truetone); Kansas City (MO)
- Pays
- Etats-Unis
- Fabricant / Marque
- Western Auto Supply Co. (Truetone); Kansas City (MO)
- Année
- 1949 ?
- Catégorie
- Récepteur de télévision avec radio ev. Enregistreur
- Radiomuseum.org ID
- 148396
Cliquez sur la vignette du schéma pour le demander en tant que document gratuit.
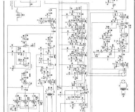
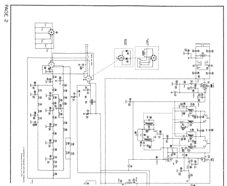
- No. de tubes
- 30
- Lampes / Tubes
- Principe général
- Super hétérodyne avec étage HF
- Gammes d'ondes
- Bandes en notes
- Particularités
- Tourne disque / changeur (châssis)
- Tension / type courant
- Alimentation Courant Alternatif (CA) / 105 - 125 Volt
- Haut-parleur
- HP dynamique à aimant permanent + bobine mobile / Ø 11.8 inch = 30 cm
- Matière
- Boitier en bois
- De Radiomuseum.org
- Modèle: D1992 Truetone - Western Auto Supply Co.
- Forme
- Console de forme générique
- Remarques
- Picture tube: 10BP4
Tuning Range: TV - Channels 2 thru 13
AM 530 - 1620 kc
FM 88-108 mc.
- Schémathèque (1)
- Photofact Folder, Howard W. SAMS (Date 9-49, Set 69, Folder 13)
- Auteur
- Modèle crée par Egon Penker. Voir les propositions de modification pour les contributeurs supplémentaires.
- D'autres Modèles
-
Vous pourrez trouver sous ce lien 919 modèles d'appareils, 534 avec des images et 813 avec des schémas.
Tous les appareils de Western Auto Supply Co. (Truetone); Kansas City (MO)