DC5942A Truetone
Western Auto Supply Co. (Truetone); Kansas City (MO)
- País
- Estados Unidos
- Fabricante / Marca
- Western Auto Supply Co. (Truetone); Kansas City (MO)
- Año
- 1959
- Categoría
- Radio - o Sintonizador pasado WW2
- Radiomuseum.org ID
- 153983
Haga clic en la miniatura esquemática para solicitarlo como documento gratuito.
- Numero de valvulas
- 17
- Principio principal
- Superheterodino con paso previo de RF; ZF/IF 455/10700 kHz
- Gama de ondas
- OM y FM
- Especialidades
- Tocadiscos con cambiador autom.
- Tensión de funcionamiento
- Red: Corriente alterna (CA, Inglés = AC) / 105 - 125 Volt
- Altavoz
- 4 Altavoces
- Material
- Madera
- de Radiomuseum.org
- Modelo: DC5942A Truetone - Western Auto Supply Co.
- Forma
- Consola en general
- Anotaciones
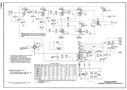
- The Western Auto Supply Model Truetone DC5942A is an AC operated 10 Tube AM-FM Tuner and 7 Tube Amplifier wit 4 Speed Automatic Record Changer.
- Documentación / Esquemas (1)
- Photofact Folder, Howard W. SAMS (Date 12-59, Set 468, Folder 15)
- Autor
- Modelo creado por Egon Penker. Ver en "Modificar Ficha" los participantes posteriores.
- Otros modelos
-
Donde encontrará 917 modelos, 530 con imágenes y 811 con esquemas.
Ir al listado general de Western Auto Supply Co. (Truetone); Kansas City (MO)