DC5944B Truetone
Western Auto Supply Co. (Truetone); Kansas City (MO)
- Country
- United States of America (USA)
- Manufacturer / Brand
- Western Auto Supply Co. (Truetone); Kansas City (MO)
- Year
- 1959
- Category
- Broadcast Receiver - or past WW2 Tuner
- Radiomuseum.org ID
- 153977
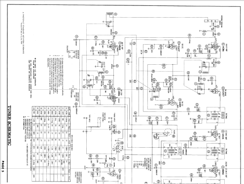
Click on the schematic thumbnail to request the schematic as a free document.
- Number of Tubes
- 17
- Valves / Tubes
- 6CB6 12AT7 6AB4 6AU6 6BA6 6BE6 6BA6 6AU6 6AL5 7025 12AX7 EL84 EL84 EL84 EL84 5Y3GT 5U4GB
- Main principle
- Superhet with RF-stage; ZF/IF 455/10700 kHz
- Wave bands
- Broadcast (BC) and FM or UHF.
- Details
- Changer (Record changer)
- Power type and voltage
- Alternating Current supply (AC) / 105 - 125 Volt
- Loudspeaker
- 4 Loudspeakers
- Material
- Wooden case
- from Radiomuseum.org
- Model: DC5944B Truetone - Western Auto Supply Co.
- Shape
- Console with any shape - in general
- Notes
- The Western Auto Supply Model Truetone DC5944B is an AC operated 10 Tube AM-FM Tuner and 7 Tube Amplifier wit 4 Speed Automatic Record Changer.
- Literature/Schematics (1)
- Photofact Folder, Howard W. SAMS (Date 12-59, Set 468, Folder 15)
- Author
- Model page created by Egon Penker. See "Data change" for further contributors.
- Other Models
-
Here you find 917 models, 531 with images and 812 with schematics for wireless sets etc. In French: TSF for Télégraphie sans fil.
All listed radios etc. from Western Auto Supply Co. (Truetone); Kansas City (MO)