- Country
- United States of America (USA)
- Manufacturer / Brand
- Westinghouse El. & Mfg. Co. - see also Canadian W.
- Year
- 1940 ?
- Category
- Broadcast Receiver - or past WW2 Tuner
- Radiomuseum.org ID
- 66127
-
- alternative name: Westinghouse El. Int.
Click on the schematic thumbnail to request the schematic as a free document.
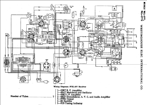
- Number of Tubes
- 7
- Main principle
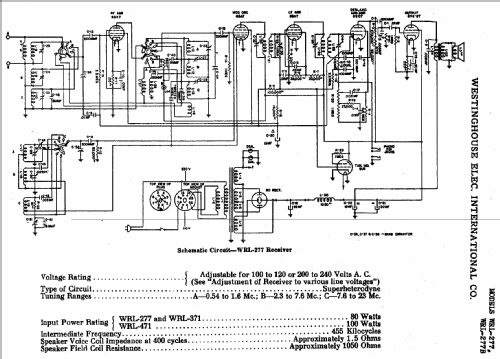
- Superhet with RF-stage; ZF/IF 455 kHz
- Tuned circuits
- 7 AM circuit(s)
- Wave bands
- Broadcast plus 2 Short Wave bands.
- Power type and voltage
- Alternating Current supply (AC) / 100-120; 200-240 Volt
- Loudspeaker
- Electro Magnetic Dynamic LS (moving-coil with field excitation coil) / Ø 8 inch = 20.3 cm
- Material
- Wooden case
- from Radiomuseum.org
- Model: WRL277 - Westinghouse El. & Mfg. Co. -
- Shape
- Tablemodel, low profile (big size).
- Dimensions (WHD)
- 590 x 330 x 258 mm / 23.2 x 13 x 10.2 inch
- Net weight (2.2 lb = 1 kg)
- 11.8 kg / 25 lb 15.9 oz (25.991 lb)
- External source of data
- Ernst Erb
- Circuit diagram reference
- Rider's Perpetual, Volume 14 = 1944 = before 1943
- Mentioned in
- Advertisement in the Rio de Janeiro´s newspaper "A Noite", edition december 6 1940, page 7
- Literature/Schematics (1)
- Riders 14-28, 29, 30, 31
- Other Models
-
Here you find 3157 models, 1761 with images and 2673 with schematics for wireless sets etc. In French: TSF for Télégraphie sans fil.
All listed radios etc. from Westinghouse El. & Mfg. Co. - see also Canadian W.
Collections
The model is part of the collections of the following members.