- Country
- Canada
- Manufacturer / Brand
- Canadian Westinghouse, Hamilton
- Year
- 1934/1935
- Category
- Broadcast Receiver - or past WW2 Tuner
- Radiomuseum.org ID
- 152432
-
- alternative name: Westinghouse Canada
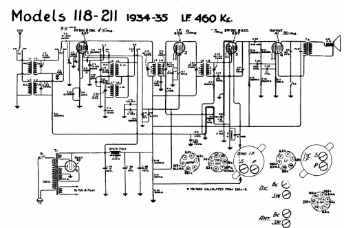
Click on the schematic thumbnail to request the schematic as a free document.
- Number of Tubes
- 5
- Main principle
- Superheterodyne (common); ZF/IF 460 kHz
- Tuned circuits
- 6 AM circuit(s)
- Wave bands
- Broadcast and Short Wave (SW).
- Power type and voltage
- Alternating Current supply (AC)
- Loudspeaker
- Electro Magnetic Dynamic LS (moving-coil with field excitation coil)
- from Radiomuseum.org
- Model: 254X - Canadian Westinghouse,
- Circuit diagram reference
- Radio College of Canada
- Literature/Schematics (1)
- Westinghouse page 21 , RCA-Victor page 20
- Author
- Model page created by Dirk Taekels. See "Data change" for further contributors.
- Other Models
-
Here you find 385 models, 174 with images and 357 with schematics for wireless sets etc. In French: TSF for Télégraphie sans fil.
All listed radios etc. from Canadian Westinghouse, Hamilton