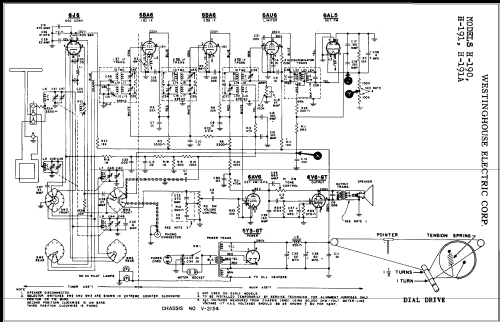
H-191A Ch= V-2134
Westinghouse El. & Mfg. Co. - see also Canadian W.
- Produttore / Marca
- Westinghouse El. & Mfg. Co. - see also Canadian W.
- Anno
- 1949
- Categoria
- Radio (o sintonizzatore del dopoguerra WW2)
- Radiomuseum.org ID
- 66266
-
- alternative name: Westinghouse El. Int.
Clicca sulla miniatura dello schema per richiederlo come documento gratuito.
- Numero di tubi
- 8
- Principio generale
- Supereterodina (in generale); ZF/IF 455/10700 kHz; 2 Stadi BF
- N. di circuiti accordati
- 8 Circuiti Mod. Amp. (AM) 10 Circuiti Mod. Freq. (FM)
- Gamme d'onda
- Onde medie (OM) e MF (FM).
- Particolarità
- Giradischi o cambiadischi
- Tensioni di funzionamento
- Alimentazione a corrente alternata (CA) / 105 - 120 Volt
- Altoparlante
- AP magnetodinamico (magnete permanente e bobina mobile) / Ø 10 inch = 25.4 cm
- Potenza d'uscita
- 3.5 W (qualità ignota)
- Materiali
- Mobile in legno
- Radiomuseum.org
- Modello: H-191A Ch= V-2134 - Westinghouse El. & Mfg. Co. -
- Forma
- Console di qualsiasi tipo
- Fonte esterna dei dati
- Ernst Erb
- Fonte dei dati
- Collector's Guide to Antique Radios 4. Edition
- Riferimenti schemi
- Rider's Perpetual, Volume 19 = 1949 and before
- Letteratura / Schemi (1)
- Beitman Radio Diagrams, Vol. 09, 1949
- Altri modelli
-
In questo link sono elencati 3155 modelli, di cui 1761 con immagini e 2671 con schemi.
Elenco delle radio e altri apparecchi della Westinghouse El. & Mfg. Co. - see also Canadian W.