H-642K20 Ch= V-2194-3
Westinghouse El. & Mfg. Co. - see also Canadian W.
- Land
- USA
- Hersteller / Marke
- Westinghouse El. & Mfg. Co. - see also Canadian W.
- Jahr
- 1951
- Kategorie
- Fernseh-Empfänger/Monitor
- Radiomuseum.org ID
- 217019
-
- anderer Name: Westinghouse El. Int.
Klicken Sie auf den Schaltplanausschnitt, um diesen kostenlos als Dokument anzufordern.
- Anzahl Röhren
- 22
- Röhren
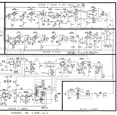
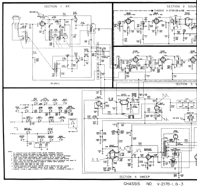
- 6AK5 or 6BC5 6J6 6CB6 6CB6 6CB6 6AL5 6AH6 6AU6 6AU6 6T8 6W6GT 6AU6 12AT7 12AU7 6C4 6SN7GT 6V6GT 6AU5GT 6W4GT 1B3GT 5U4G 20DP4
- Hauptprinzip
- Super mit HF-Vorstufe
- Wellenbereiche
- VHF/UHF (siehe Bemerkungen)
- Betriebsart / Volt
- Wechselstromspeisung / 105-120 Volt
- Lautsprecher
- Dynamischer LS, keine Erregerspule (permanentdynamisch) / Ø 12 inch = 30.5 cm
- Belastbarkeit / Leistung
- 2.8 W (Qualität unbekannt)
- Material
- Gerät mit Holzgehäuse
- von Radiomuseum.org
- Modell: H-642K20 Ch= V-2194-3 - Westinghouse El. & Mfg. Co. -
- Form
- Standgerät auf niedrigen Beinen (Beine < 50 % der Gesamthöhe).
- Bemerkung
- The Westinghouse H-642K20 is a 20" b/w TV with US standard VHF tuner channels 2 thru 13. Equipped with chassis V-2194-3 and picture tube 20DP4. This model is also available using chassis V-2178-1, V-2178-3, V-2194, V-2194-1 or V-2194-2.
- Literatur/Schema (1)
- - - Manufacturers Literature (Westinghouse Datasheets RM3204, RM3228, RM3252)
- Autor
- Modellseite von John Kusching angelegt. Siehe bei "Änderungsvorschlag" für weitere Mitarbeit.
- Weitere Modelle
-
Hier finden Sie 3157 Modelle, davon 1761 mit Bildern und 2673 mit Schaltbildern.
Alle gelisteten Radios usw. von Westinghouse El. & Mfg. Co. - see also Canadian W.