H-648T20 Ch= V-2201-1
Westinghouse El. & Mfg. Co. - see also Canadian W.
- Produttore / Marca
- Westinghouse El. & Mfg. Co. - see also Canadian W.
- Anno
- 1951 ?
- Categoria
- Televisore (TV) / Monitor
- Radiomuseum.org ID
- 217082
-
- alternative name: Westinghouse El. Int.
Clicca sulla miniatura dello schema per richiederlo come documento gratuito.
- Numero di tubi
- 22
- Valvole
- 6AK5 6J6 6CB6 6CB6 6CB6 6AL5 6AC7 or 6AH6 6AU6 6AU6 6AU6 6T8 6W6 12AT7 6SN7GT 6V6GT 6C4 12AU7 6AU5 6W4GT 1B3GT 5U4G 17AP4A or 20DP4
- Principio generale
- Supereterodina con stadio RF
- Gamme d'onda
- VHF/UHF (ved. i dettagli nelle note)
- Tensioni di funzionamento
- Alimentazione a corrente alternata (CA) / 60 Hz, 117V = 110 -120 Volt
- Altoparlante
- AP magnetodinamico (magnete permanente e bobina mobile) / Ø 5.25 inch = 13.3 cm
- Potenza d'uscita
- 1.5 W (qualità ignota)
- Radiomuseum.org
- Modello: H-648T20 Ch= V-2201-1 - Westinghouse El. & Mfg. Co. -
- Forma
- Soprammobile verticale (sviluppato in altezza; no cattedrale, sin decorazioni).
- Annotazioni
-
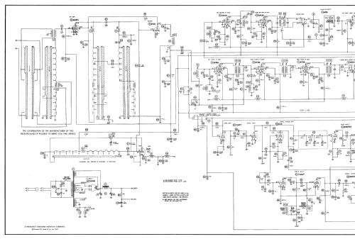
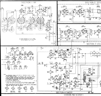
The Westinghouse H-648T20 is a 20" b/w TV with US standard VHF tuner channels 2 thru 13. Equipped with chassis V-2201-1, VHF-tuner V-10750-1 and picture tube 20DP4. For service information, refer the supplement #1 and #2 to the model H-652K20 service notes.
- Letteratura / Schemi (1)
- - - Manufacturers Literature (Westinghouse Datasheets RM3248, RM3243, RM3271)
- Letteratura / Schemi (2)
- Photofact Folder, Howard W. SAMS (Set 154, folder 15, dated 12-51)
- Autore
- Modello inviato da John Kusching. Utilizzare "Proponi modifica" per inviare ulteriori dati.
- Altri modelli
-
In questo link sono elencati 3155 modelli, di cui 1761 con immagini e 2671 con schemi.
Elenco delle radio e altri apparecchi della Westinghouse El. & Mfg. Co. - see also Canadian W.