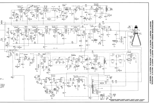
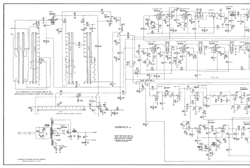
H-652K20 Ch= V-2206-1
Westinghouse El. & Mfg. Co. - see also Canadian W.
- Produttore / Marca
- Westinghouse El. & Mfg. Co. - see also Canadian W.
- Anno
- 1951 ?
- Categoria
- Televisore (TV) / Monitor
- Radiomuseum.org ID
- 356874
-
- alternative name: Westinghouse El. Int.
Clicca sulla miniatura dello schema per richiederlo come documento gratuito.
- Numero di tubi
- 22
- Valvole
- 6AK5 6J6 6CB6 6CB6 6CB6 6AL5 6AC7 or 6AH6 6AU6 6AU6 6T8 6W6GT 6AU6 12AT7 6SN7GT 6V6GT 6C4 12AU7 6AU5GT 6W4GT 5U4G 1B3GT 17AP4A
- Principio generale
- Supereterodina con stadio RF
- Gamme d'onda
- Gamme d'onda nelle note.
- Tensioni di funzionamento
- Alimentazione a corrente alternata (CA) / 60Hz, 117V=110-120 Volt
- Altoparlante
- 2 altoparlanti
- Materiali
- Mobile in legno
- Radiomuseum.org
- Modello: H-652K20 Ch= V-2206-1 - Westinghouse El. & Mfg. Co. -
- Forma
- Soprammobile con qualsiasi forma (non saputo).
- Annotazioni
-
The Westinghouse H-652K20 is a 17" b/w TV with US standard VHF tuner channels 2 thru 13. Equipped with chassis V-2206-1 and picture tube 17AP4A.
- Letteratura / Schemi (1)
- Photofact Folder, Howard W. SAMS (Set 154, folder 12, dated 1951)
- Letteratura / Schemi (2)
- Photofact Folder, Howard W. SAMS (Set 176, folder 1, dated 8-52)
- Autore
- Modello inviato da Dirk Taekels. Utilizzare "Proponi modifica" per inviare ulteriori dati.
- Altri modelli
-
In questo link sono elencati 3155 modelli, di cui 1761 con immagini e 2671 con schemi.
Elenco delle radio e altri apparecchi della Westinghouse El. & Mfg. Co. - see also Canadian W.