H-711T21 Ch= V-2217-5
Westinghouse El. & Mfg. Co. - see also Canadian W.
- Pays
- Etats-Unis
- Fabricant / Marque
- Westinghouse El. & Mfg. Co. - see also Canadian W.
- Année
- 1953 ?
- Catégorie
- Récepteur de télévision ou moniteur
- Radiomuseum.org ID
- 217519
-
- alternative name: Westinghouse El. Int.
Cliquez sur la vignette du schéma pour le demander en tant que document gratuit.
- No. de tubes
- 22
- Lampes / Tubes
- 6BQ7 or 6BZ7 6X8 6CB6 6CB6 6CB6 12BY7 6AU6 6BN6 6BK5 6AU6 12AT7 6AU6 6SN7GT 12BH7 6AL5 12AU7 6AU5GT or 6BQ6GT 6W4GT 1B3GT 5U4G 5U4G 21FP4A
- Principe général
- Super hétérodyne avec étage HF
- Gammes d'ondes
- VHF/UHF (voir details en note)
- Tension / type courant
- Alimentation Courant Alternatif (CA) / 60 Hz, 117V = 110 -120 Volt
- Haut-parleur
- HP dynamique à aimant permanent + bobine mobile / Ø 10 inch = 25.4 cm
- Puissance de sortie
- 1.8 W (qualité inconnue)
- Matière
- Boitier en bois
- De Radiomuseum.org
- Modèle: H-711T21 Ch= V-2217-5 - Westinghouse El. & Mfg. Co. -
- Forme
- Console de forme générique
- Remarques
-
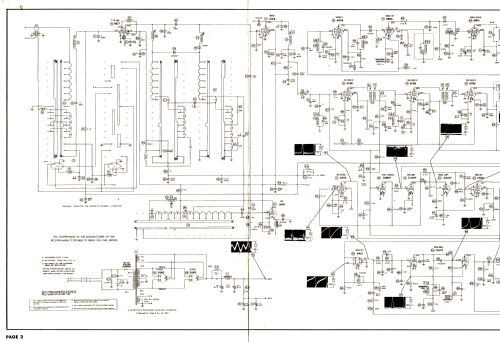
The Westinghouse H-711T21 is a 21" b/w TV with US standard VHF tuner channels 2 thru 13. Equipped with chassis V-2217-5 and picture tube 21FP4A. Cabinet is Blonde. For service information, refer to Westinghouse model H-723K21 service notes and supplementary information.
- Schémathèque (1)
- - - Manufacturers Literature (Westinghouse Datasheets RM3321 RM3285 RM3311)
- Schémathèque (2)
- Photofact Folder, Howard W. SAMS (Set 305 Folder 1 Production Changes Bulletin 143 dated 2-56)
- Schémathèque (3)
- Photofact Folder, Howard W. SAMS (Set 202, folder 10, dated 5-53)
- Auteur
- Modèle crée par John Kusching. Voir les propositions de modification pour les contributeurs supplémentaires.
- D'autres Modèles
-
Vous pourrez trouver sous ce lien 3155 modèles d'appareils, 1761 avec des images et 2671 avec des schémas.
Tous les appareils de Westinghouse El. & Mfg. Co. - see also Canadian W.