H-724T20 Ch= V-2220-2
Westinghouse El. & Mfg. Co. - see also Canadian W.
- Pays
- Etats-Unis
- Fabricant / Marque
- Westinghouse El. & Mfg. Co. - see also Canadian W.
- Année
- 1953 ?
- Catégorie
- Récepteur de télévision ou moniteur
- Radiomuseum.org ID
- 216919
-
- alternative name: Westinghouse El. Int.
Cliquez sur la vignette du schéma pour le demander en tant que document gratuit.
- No. de tubes
- 20
- Lampes / Tubes
- 6BC5 6J6 6CB6 6CB6 6CB6 12BY7 12BH7 6AU6 6BN6 6BK5 12AT7 6AU6 6SN7GT 6AL5 12AU7 6AU5GT or 6AV5GT or 6BQ6GT 6W4GT 1B3GT 5U4G 20HP4A
- Principe général
- Super hétérodyne avec étage HF
- Gammes d'ondes
- VHF/UHF (voir details en note)
- Tension / type courant
- Alimentation Courant Alternatif (CA) / 60Hz, 117V=110-120 Volt
- Haut-parleur
- HP dynamique à aimant permanent + bobine mobile / Ø 5.25 inch = 13.3 cm
- Puissance de sortie
- 1.8 W (qualité inconnue)
- Matière
- Boitier en bois
- De Radiomuseum.org
- Modèle: H-724T20 Ch= V-2220-2 - Westinghouse El. & Mfg. Co. -
- Forme
- Modèle de table vertical (pas forme catédrale)
- Remarques
-
The Westinghouse H-724T20 is a 20" b/w TV with US standard VHF tuner channels 2 thru 13. Equipped with chassis V-2220-2, VHF-tuner V-11385-1 and picture tube 20HP4A. Cabinet is Brown. For service information and schematics on this model, refer to Westinghouse model H-708T20 (See Supplements 1 and 2). This model is also available using chassis V-2220-4.
- Schémathèque (1)
- - - Manufacturers Literature (Westinghouse Datasheets RM3318, RM3305, RM3316, RM3325)
- Schémathèque (2)
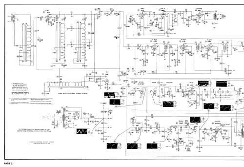
- Photofact Folder, Howard W. SAMS (Set 193, folder 12, dated 2-53)
- Auteur
- Modèle crée par John Kusching. Voir les propositions de modification pour les contributeurs supplémentaires.
- D'autres Modèles
-
Vous pourrez trouver sous ce lien 3155 modèles d'appareils, 1761 avec des images et 2671 avec des schémas.
Tous les appareils de Westinghouse El. & Mfg. Co. - see also Canadian W.