H-769P7 Ch= V-2402-1
Westinghouse El. & Mfg. Co. - see also Canadian W.
- Land
- USA
- Hersteller / Marke
- Westinghouse El. & Mfg. Co. - see also Canadian W.
- Jahr
- 1960
- Kategorie
- Rundfunkempfänger (Radio - oder Tuner nach WW2)
- Radiomuseum.org ID
- 160333
-
- anderer Name: Westinghouse El. Int.
Klicken Sie auf den Schaltplanausschnitt, um diesen kostenlos als Dokument anzufordern.
- Anzahl Transistoren
- 7
- Hauptprinzip
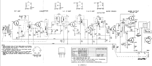
- Super mit HF-Vorstufe; ZF/IF 455 kHz; 2 NF-Stufe(n)
- Anzahl Kreise
- 7 Kreis(e) AM
- Wellenbereiche
- Mittelwelle, keine anderen.
- Betriebsart / Volt
- Trockenbatterien / 4 x 1,5 Volt
- Lautsprecher
- Dynamischer LS, keine Erregerspule (permanentdynamisch) / Ø 4 inch = 10.2 cm
- Material
- Leder / Stoff / Plastic / Segeltuch über div. Material
- von Radiomuseum.org
- Modell: H-769P7 Ch= V-2402-1 - Westinghouse El. & Mfg. Co. -
- Form
- Reisegerät > 20 cm (netzunabhängig betreibbar)
- Abmessungen (BHT)
- 8.25 x 6 x 3.75 inch / 210 x 152 x 95 mm
- Bemerkung
- The Westinghouse model H-769P7 is a battery operated 7 transistor AM radio. AM Tuning Range: 540 to 1600 kHz. Has Qty(1) PM 4" speaker. Uses Qty(4) 1.5V "D" batteries. Cabinet color is Suntan. For specifications, battery information and service information, refer to model H-729P7. Westinghouse model H-770P7 uses the same chassis and schematic, difference being cabinet color.
- Literaturnachweis
- -- Original prospect or advert (Catalogue ~1960)
- Literatur/Schema (1)
- - - Manufacturers Literature (Westinghouse Datasheets RA5008, RM4526)
- Literatur/Schema (2)
- Collector's Guide To TrR1 Bunis trans.94 (1996, page 303)
- Autor
- Modellseite von einem Mitglied aus A angelegt. Siehe bei "Änderungsvorschlag" für weitere Mitarbeit.
- Weitere Modelle
-
Hier finden Sie 3155 Modelle, davon 1761 mit Bildern und 2671 mit Schaltbildern.
Alle gelisteten Radios usw. von Westinghouse El. & Mfg. Co. - see also Canadian W.