H-773K21 Ch= V-2243-4
Westinghouse El. & Mfg. Co. - see also Canadian W.
- País
- Estados Unidos
- Fabricante / Marca
- Westinghouse El. & Mfg. Co. - see also Canadian W.
- Año
- 1953
- Categoría
- Televisión (TV) o monitor
- Radiomuseum.org ID
- 218256
-
- alternative name: Westinghouse El. Int.
Haga clic en la miniatura esquemática para solicitarlo como documento gratuito.
- Numero de valvulas
- 22
- Válvulas
- 6BZ7 or 6BQ7A 6X8 6CB6 6CB6 6CB6 12BY7 6AU6 6BN6 6BK5 12AT7 6AU6 12BH7 6AU6 6SN7GT 6AL5 12AU7 6BQ6GT or 6BQ6G 6AS4GT or 6AX4GT 1B3GT 5U4G 5U4G 21YP4
- Principio principal
- Superheterodino con paso previo de RF
- Gama de ondas
- VHF/UHF (see notes for details)
- Tensión de funcionamiento
- Red: Corriente alterna (CA, Inglés = AC) / 105-120 Volt
- Altavoz
- Altavoz dinámico (de imán permanente) / Ø 10 inch = 25.4 cm
- Potencia de salida
- 2.5 W (unknown quality)
- Material
- Madera
- de Radiomuseum.org
- Modelo: H-773K21 Ch= V-2243-4 - Westinghouse El. & Mfg. Co. -
- Forma
- Consola en general
- Anotaciones
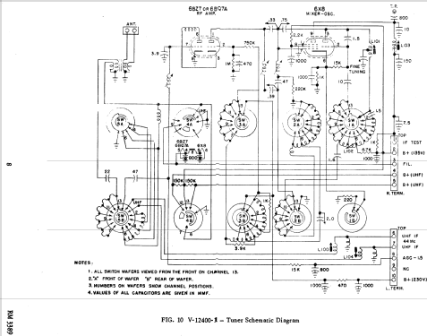
- The Westinghouse H-773K21 is a 21" b/w TV with US standard VHF tuner channels 2 thru 13. Equipped with chassis V-2243-4, VHF tuner V-12400-1 and picture tube 21YP4. Cabinet is Blonde.
- Documentación / Esquemas (1)
- - - Manufacturers Literature (Westinghouse Datasheets RM3362 RM3389)
- Autor
- Modelo creado por John Kusching. Ver en "Modificar Ficha" los participantes posteriores.
- Otros modelos
-
Donde encontrará 3155 modelos, 1761 con imágenes y 2671 con esquemas.
Ir al listado general de Westinghouse El. & Mfg. Co. - see also Canadian W.