H-870K24A(V) Ch= V-2318-21
Westinghouse El. & Mfg. Co. - see also Canadian W.
- Pays
- Etats-Unis
- Fabricant / Marque
- Westinghouse El. & Mfg. Co. - see also Canadian W.
- Année
- 1955 ?
- Catégorie
- Récepteur de télévision ou moniteur
- Radiomuseum.org ID
- 330493
-
- alternative name: Westinghouse El. Int.
Cliquez sur la vignette du schéma pour le demander en tant que document gratuit.
- No. de tubes
- 24
- Lampes / Tubes
- 6BQ7A 6AT8 6CB6 6CB6 6CB6 12BY7 6AU6 6AN8 6BN6 6BK5 6CS6 12AU7 12B4A 6AL5 12AU7 6CD6G 6AU4GT 1B3GT 5U4G 5U4G 24DP4A 6BE6 6BA6 6AV6
- Principe général
- Super hétérodyne avec étage HF
- Gammes d'ondes
- Bandes en notes
- Tension / type courant
- Alimentation Courant Alternatif (CA) / 60 Hz, 117V = 110 -120 Volt
- Haut-parleur
- 2 HP
- Matière
- Boitier en bois
- De Radiomuseum.org
- Modèle: H-870K24ACh= V-2318-21 - Westinghouse El. & Mfg. Co. -
- Forme
- Modèle de table générique
- Remarques
-
Westinghouse model H-870K24A(V) is a 24” b/w TV with US standard VHF tuner channels 2 thru 13. Equipped with chassis V-2318-21, VHF tuner V-15460-1 and picture tube 24DP4A.
- Schémathèque (1)
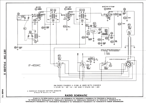
- Photofact Folder, Howard W. SAMS (Set 296 Folder 11 dated 11-55)
- Auteur
- Modèle crée par Dirk Taekels. Voir les propositions de modification pour les contributeurs supplémentaires.
- D'autres Modèles
-
Vous pourrez trouver sous ce lien 3155 modèles d'appareils, 1761 avec des images et 2671 avec des schémas.
Tous les appareils de Westinghouse El. & Mfg. Co. - see also Canadian W.