H-137B CH= V-2102-3
Westinghouse El. & Mfg. Co. - see also Canadian W.
- Produttore / Marca
- Westinghouse El. & Mfg. Co. - see also Canadian W.
- Anno
- 1946
- Categoria
- Radio (o sintonizzatore del dopoguerra WW2)
- Radiomuseum.org ID
- 66219
-
- alternative name: Westinghouse El. Int.
Clicca sulla miniatura dello schema per richiederlo come documento gratuito.
- Numero di tubi
- 7
- Principio generale
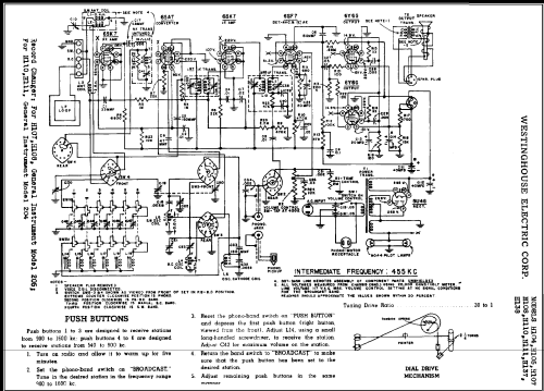
- Supereterodina con stadio RF; ZF/IF 455 kHz
- Gamme d'onda
- Onde medie (OM) e corte (OC).
- Particolarità
- Cambiadischi
- Tensioni di funzionamento
- Alimentazione a corrente alternata (CA) / 105 - 120 Volt
- Altoparlante
- AP elettrodinamico (bobina mobile e bobina di eccitazione/di campo)
- Radiomuseum.org
- Modello: H-137B CH= V-2102-3 - Westinghouse El. & Mfg. Co. -
- Fonte esterna dei dati
- Ernst Erb
- Riferimenti schemi
- Rider's Perpetual, Volume 17 = 1948 and before
- Altri modelli
-
In questo link sono elencati 3155 modelli, di cui 1761 con immagini e 2671 con schemi.
Elenco delle radio e altri apparecchi della Westinghouse El. & Mfg. Co. - see also Canadian W.