Corallo
Wilco; (where?)
- Paese
- Italy
- Produttore / Marca
- Wilco; (where?)
- Anno
- 1975 ??
- Categoria
- Registratore audio/video e/o riproduttore
- Radiomuseum.org ID
- 181944
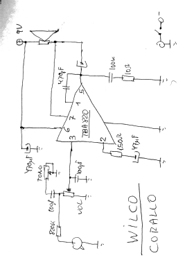
Clicca sulla miniatura dello schema per richiederlo come documento gratuito.
- Numero di transistor
- Principio generale
- Amplificatore audio
- Gamme d'onda
- - senza
- Particolarità
- Giradischi+AmplifBF+Altoparlant
- Tensioni di funzionamento
- Rete / Batterie (ogni tipo) / 220 V / C: 6 x 1,5 Volt
- Altoparlante
- AP magnetodinamico (magnete permanente e bobina mobile) / Ø 3 inch = 7.6 cm
- Potenza d'uscita
- 1 W (qualità ignota)
- Materiali
- Plastica (non bachelite o catalina)
- Radiomuseum.org
- Modello: Corallo - Wilco; where?
- Forma
- Apparecchio portatile > 20 cm (senza la necessità di una rete)
- Annotazioni
- Wilco Corallo;
33 & 45 RPM portable disc record player, tone control.
- Autore
- Modello inviato da un iscritto da A. Utilizzare "Proponi modifica" per inviare ulteriori dati.
- Altri modelli
-
In questo link sono elencati 8 modelli, di cui 7 con immagini e 0 con schemi.
Elenco delle radio e altri apparecchi della Wilco; (where?)
Collezioni
Il modello Corallo fa parte delle collezioni dei seguenti membri.