- Land
- Kanada
- Hersteller / Marke
- Williams Piano Co. (King); Oshawa
- Jahr
- 1928/1929
- Kategorie
- Rundfunkempfänger (Radio - oder Tuner nach WW2)
- Radiomuseum.org ID
- 248001
Klicken Sie auf den Schaltplanausschnitt, um diesen kostenlos als Dokument anzufordern.
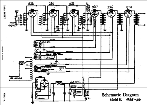
- Anzahl Röhren
- 7
- Hauptprinzip
- Geradeaus ohne Rückkopplung; 2 NF-Stufe(n); Neutrodyne
- Anzahl Kreise
- 4 Kreis(e) AM
- Wellenbereiche
- Mittelwelle, keine anderen.
- Betriebsart / Volt
- Wechselstromspeisung / 100; 110; 120; 130 Volt
- Lautsprecher
- - Dieses Modell benötigt externe(n) Lautsprecher.
- von Radiomuseum.org
- Modell: H - Williams Piano Co. King;
- Literatur/Schema (1)
- Radio College of Canada (RCC) (King data sheet 4)
- Autor
- Modellseite von Hans-Joachim Korn † 16.11.15 angelegt. Siehe bei "Änderungsvorschlag" für weitere Mitarbeit.
- Weitere Modelle
-
Hier finden Sie 13 Modelle, davon 1 mit Bildern und 13 mit Schaltbildern.
Alle gelisteten Radios usw. von Williams Piano Co. (King); Oshawa