CDX-810
Yamaha Co.; Hamamatsu
- País
- Japon
- Fabricante / Marca
- Yamaha Co.; Hamamatsu
- Año
- 1988
- Categoría
- Registrador o reproductor de sonido o visual
- Radiomuseum.org ID
- 200402
-
- alternative name: Nippon Gakki
Haga clic en la miniatura esquemática para solicitarlo como documento gratuito.
- Numero de transistores
- Hay semiconductores.
- Semiconductores
- Principio principal
- Amplificador de Audio
- Gama de ondas
- - no hay
- Especialidades
- CD-Player, -Writer, MD, MOD (audio)
- Tensión de funcionamiento
- Red: Corriente alterna (CA, Inglés = AC) / 220 Volt
- Altavoz
- - Este modelo usa amplificador externo de B.F.
- Material
- Metálico
- de Radiomuseum.org
- Modelo: CDX-810 - Yamaha Co.; Hamamatsu
- Forma
- Unidad para estanteria.
- Ancho, altura, profundidad
- 435 x 107 x 347 mm / 17.1 x 4.2 x 13.7 inch
- Anotaciones
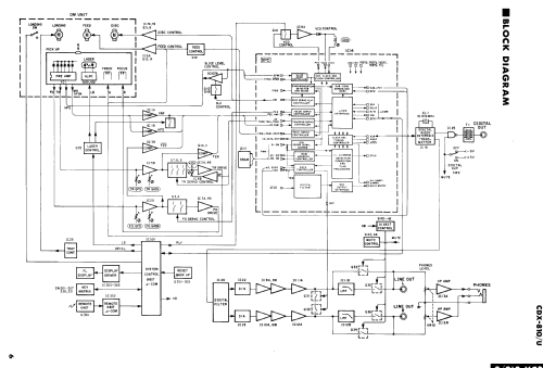
- Compact Disc Player. Schaltbarer Hi-Bit DAC-Direktausgang, Hi-Bit Digitalfilter mit Achtfach-Oversampling, zweifacher High-Speed D/A Konverter, koaxialer Digitalausgang, neuartiger Dreistrahl-Laser, Zweifach-Servo mit Mikrocomputersteuerung, Abschirmung gegen digitale Interferenz, verbesserte Subchassis-Auslegung, spielbereit für die CD-Single (8cm), 8-stellige Multifunktions-Fluoreszenzanzeige, Kalender Display, Tape Edit, direkter Zugriff für 24 Titel, Speicher für 24 Titel, Autoprogramm Playback, 4-fache Wiederholfunktion, Index-Suchlauf, Auto Space Insert während der Wiedergabe, 3-facher Musiksuchlauf, Kopfhörerbuchse mit Lautstärkeregelung, Fernsteuerung mit 44 Tasten, integriert in das RS-Fernsteuersystem.
- Peso neto
- 5.5 kg / 12 lb 1.8 oz (12.115 lb)
- Precio durante el primer año
- 1,030.00 DM
- Procedencia de los datos
- -- Original prospect or advert
- Autor
- Modelo creado por un miembro de D. Ver en "Modificar Ficha" los participantes posteriores.
- Otros modelos
-
Donde encontrará 771 modelos, 737 con imágenes y 382 con esquemas.
Ir al listado general de Yamaha Co.; Hamamatsu