Power Amplifier MX-S90
Yamaha Co.; Hamamatsu
- Country
- Japan
- Manufacturer / Brand
- Yamaha Co.; Hamamatsu
- Year
- 1994
- Category
- Audio Amplifier or -mixer
- Radiomuseum.org ID
- 208089
-
- alternative name: Nippon Gakki
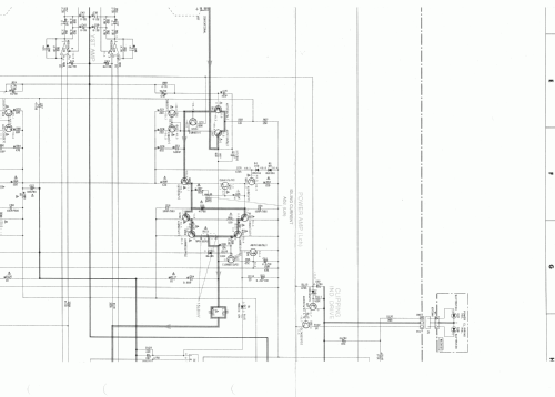
Click on the schematic thumbnail to request the schematic as a free document.
- Number of Transistors
- Semiconductors present.
- Semiconductors
- Main principle
- Audio-Amplification
- Wave bands
- - without
- Power type and voltage
- Alternating Current supply (AC) / 230 Volt
- Loudspeaker
- - This model requires external speaker(s).
- Power out
- 140 W (170 W max.)
- Material
- Metal case
- from Radiomuseum.org
- Model: Power Amplifier MX-S90 - Yamaha Co.; Hamamatsu
- Shape
- Book-shelf unit.
- Dimensions (WHD)
- 280 x 107.5 x 332.4 mm / 11 x 4.2 x 13.1 inch
- Notes
-
Yamaha Power Amplifier Modell Yamaha MX-S90
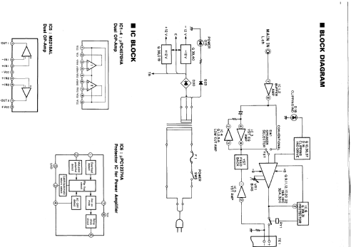
Ausgangsleistung (DIN) 85 Watt/Kanal, 70Watt/Kanal RMS, Gesamtklirrfaktor 0,04% Yamaha Active Servo Technology (YST)
LED's für Leistungs- und SpitzenpegelanzeigeNote:
Yamaha MX-S90 is a power amplifier designed for Yamaha Compact System CC-90. (System CC-90 is composed of CTX-S90, MX-S90, CDC-S90, KX-S90 and NX-S90)
- Net weight (2.2 lb = 1 kg)
- 5.6 kg / 12 lb 5.4 oz (12.335 lb)
- Source of data
- -- Original-techn. papers.
- Mentioned in
- -- Original prospect or advert (Natural Sound Mini-Komponentensysteme)
- Literature/Schematics (1)
- -- Original-techn. papers. (Service Manual 100471)
- Author
- Model page created by a member from D. See "Data change" for further contributors.
- Other Models
-
Here you find 771 models, 737 with images and 382 with schematics for wireless sets etc. In French: TSF for Télégraphie sans fil.
All listed radios etc. from Yamaha Co.; Hamamatsu