28T925E "Biltmore" Ch= 28F22
Zenith Radio Corp.; Chicago, IL
- Pays
- Etats-Unis
- Fabricant / Marque
- Zenith Radio Corp.; Chicago, IL
- Année
- 1949
- Catégorie
- Récepteur de télévision ou moniteur
- Radiomuseum.org ID
- 246466
-
- alternative name: Chicago Radio Lab
Cliquez sur la vignette du schéma pour le demander en tant que document gratuit.
- No. de tubes
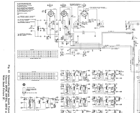
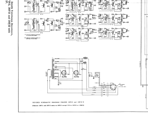
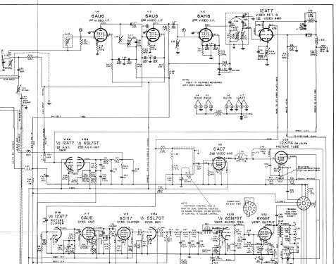
- 28
- Lampes / Tubes
- 6AG5 6J6 6AG5 6AU6 6AU6 6AH6 12AT7 12AT7 6SL7GT 6AC7 6AU6 6AU6 6AU6 6T8 6V6GT 6AU6 6SH7 6SN7GT 6V6GT 6AL5 6AC7 6K6GT 6BG6G 5V4G 1B3GT or 8016 5U4G 5U4G 10BP4 or 10FP4
- Principe général
- Super hétérodyne avec étage HF
- Gammes d'ondes
- VHF/UHF (voir details en note)
- Tension / type courant
- Alimentation Courant Alternatif (CA) / 60 cycles, 117 Volt
- Haut-parleur
- HP dynamique à aimant permanent + bobine mobile / Ø 5.25 inch = 13.3 cm
- Puissance de sortie
- 3.5 W (6.5 W max.)
- Matière
- Boitier en bois
- De Radiomuseum.org
- Modèle: 28T925E "Biltmore" Ch= 28F22 - Zenith Radio Corp.; Chicago,
- Forme
- Modèle de table profil bas (grand modèle).
- Remarques
-
The Zenith 28T925E 'Biltmore' is a 10" round CRT porthole styled b/w TV with US FCC standard VHF turret tuner channels 2 thru 13. Equipped with split chassis 28F22 and picture tube 10BP4 or 10FP4. Has wooden blonde cabinet. Power consumption is 350W.
- Schémathèque (1)
- - - Manufacturers Literature (Zenith Service Manual TV3 - 1948 & 49 - 27, 28 & 29 tube Television Receivers Dated Aug 1949)
- Auteur
- Modèle crée par Hans Amberger. Voir les propositions de modification pour les contributeurs supplémentaires.
- D'autres Modèles
-
Vous pourrez trouver sous ce lien 4517 modèles d'appareils, 4109 avec des images et 3654 avec des schémas.
Tous les appareils de Zenith Radio Corp.; Chicago, IL