64B
Zerdik; Wien
- Country
- Austria
- Manufacturer / Brand
- Zerdik; Wien
- Year
- 1940/1941
- Category
- Broadcast Receiver - or past WW2 Tuner
- Radiomuseum.org ID
- 11084
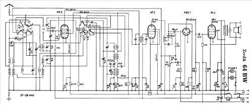
Click on the schematic thumbnail to request the schematic as a free document.
- Number of Tubes
- 4
- Main principle
- Superheterodyne (common); ZF/IF 128 kHz
- Tuned circuits
- 6 AM circuit(s)
- Wave bands
- Broadcast, Long Wave and Short Wave.
- Power type and voltage
- Dry Batteries / 125 & 2 Volt
- Loudspeaker
- Permanent Magnet Dynamic (PDyn) Loudspeaker (moving coil)
- from Radiomuseum.org
- Model: 64B - Zerdik; Wien
- Notes
- Bandfilter Paralleltype zu Horny W146B.
- External source of data
- E. Erb 3-907007-36-0
- Source of data
- Radiokatalog Band 2, Ernst Erb
- Circuit diagram reference
- Lange+Schenk+FS-Röhrenbestückung
- Other Models
-
Here you find 166 models, 115 with images and 76 with schematics for wireless sets etc. In French: TSF for Télégraphie sans fil.
All listed radios etc. from Zerdik; Wien