radiomuseum.org
Please click your language flag. Bitte Sprachflagge klicken.

2N107

Information - Help 
ID = 65000
       
Country:
United States of America (USA)
Brand: General Electric Co. (GE); Bridgeport CT, Syracuse NY
Developer: RCA (RCA Victor Co. Inc.); New York (NY) 
Tube type:  Transistor   Audio Frequency 
Identical to 2N107
Similar Tubes
Normally replaceable-slightly different:
  AC125

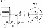
Base Wires
Description

PNP germanium alloy junction transistor intended as AF amplifier.

 
Text in other languages (may differ)
Dimensions (WHD)
incl. pins / tip
9 x 7 x 8 mm / 0.35 x 0.28 x 0.31 inch
Weight 1 g / 0.04 oz
Information source - - Manufacturers Literature   GE
-- Collector info (Sammler)   KTT 1969/70, Towers ITVL

2n107_umgeb1.png
2N107: GE
Günther Stabe † 19.8.20

r_31~~8.gif 2N107: TTT Steidle 1981
Günther Stabe † 19.8.20

2n107_data.png
2N107: General Electric Transistor Manual, 1957
Günter Kudicke

Collection of

 
2n107_aw.jpg

2N107
 

You reach this tube or valve page from a search after clicking the "tubes" tab or by clicking a tube on a radio model page. You will find thousands of tubes or valves with interesting links. You even can look up radio models with a certain tube line up. [rmxtube-en]
  

Data Compliance More Information