radiomuseum.org

2N466

Information - Hilfe 
ID = 38631
       
Land:
USA
Marke: Common type USA tube/semicond.
Typ:  Transistor   Endstufe 
Identisch mit 2N466
Ähnliche
Austauschbar, kleine Unterschiede mögl.
  2N467 ; AC128

Sockel Drahtenden
Beschreibung Material/Aufbau/Pol.: Germanium Legierung PNP;
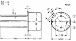
Form/Case: TO-5;
Daten/electr.data: I F: 1 mA; U F: 6 V; Isp: 15 µA; ß (beta): 90; N: 330 mW; Imax(Ic): 500 mA; Umax(Uce): -20 V; f g(FT): 1.5 MHz; tmax: 85 °C.

Text in anderer Sprache (evtl. verschieden)
Abmessungen (BHT)
inkl. Stifte/Spitzli
9 x 7 x 9 mm / 0.35 x 0.28 x 0.35 inch
Gewicht 2 g / 0.07 oz
Literatur -- Schematic   

to5_ttt_42.gif 2N466: TTT Steidle 1981
Günther Stabe † 19.8.20

Verwendung in Modellen 1= 1959? ; 1= 1963?? ; 1= 1965??

Anzahl Modelle bei Radiomuseum.org bestückt:3
 

[rmxtube-ge, noindex]
  

Datenkonformität Mehr Informationen