radiomuseum.org

2N6098

Information - Help 
ID = 60619
       
Country:
United States of America (USA)
Brand: Common type USA tube/semicond.
Tube type:  Transistor   Power/Output 
Identical to 2N6098
Similar Tubes
Other shape (e.g. bulb type):
  2N6099
Normally replaceable-slightly different:
  BD607

Base Wires
Description

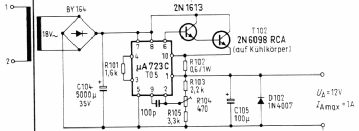
NPN silicon transistor intended as AF power amplifier.
-

 
Text in other languages (may differ)
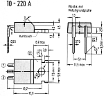
Dimensions (WHD)
incl. pins / tip
10 x 15 x 4 mm / 0.39 x 0.59 x 0.16 inch
Weight 2 g / 0.07 oz
Information source -- Collector info (Sammler)   TTT Steidle 1981

2n6098.png
2N6098: Funkschau 15/73 S.567
Egon Strampe

to_220_a_ttt.png 2N6098: TTT Steidle 1981
Günther Stabe † 19.8.20

2n6098_dat_a.png
2N6098: RCA Power Devices 1978
Heinz Höger

More ...

Collection of

 
2n_6098.jpg

 

You reach this tube or valve page from a search after clicking the "tubes" tab or by clicking a tube on a radio model page. You will find thousands of tubes or valves with interesting links. You even can look up radio models with a certain tube line up. [rmxtube-en]
  

Data Compliance More Information