radiomuseum.org

2SC3261

Information - Hilfe 
ID = 65892
       
Land:
Japan
Marke: Common type Japan tube/semicond.
Typ:  Transistor   Endstufe 
Identisch mit 2SC3261

Sockel Drahtenden
Beschreibung

Material/Aufbau/Pol.: Silizium Epitaxial Planar NPN;
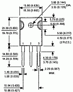
Form/Case/Outline: TO-247 Anschlussfolge BCE;
Daten/electr.data: I F: __ A; U S: __ V; Isp: __ µA; ß (beta): >7; N: 80 W; Imax(Ic): 6 A; Umax(Ucb): 800 V; Umax(Uce): 800 V; f g(FT): __ MHz; tf: 0.7 µs; tmax j: 150 °C;
Manufactured by Shindengen (J) -

 
Text in anderer Sprache (evtl. verschieden)
Abmessungen (BHT)
inkl. Stifte/Spitzli
16 x 20 x 4 mm / 0.63 x 0.79 x 0.16 inch
Gewicht 3 g / 0.11 oz
Literatur -- Original-techn. papers.   Shindengen

to_247~~12.gif 2SC3261: Shindengen
Günther Stabe † 19.8.20

Sammlung von

 
2sc3261_mw.jpg

2SC3261
 

[rmxtube-ge, noindex]
  

Datenkonformität Mehr Informationen