radiomuseum.org
Please click your language flag. Bitte Sprachflagge klicken.

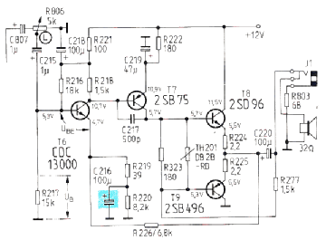
2SD96

Information - Help 
ID = 49588
       
Country:
Japan
Brand: Hitachi Ltd.; Tokyo
Tube type:  Transistor   Power/Output 
Identical to 2SD96
Similar Tubes
Different maximum ratings:
  AC176

Base Wires
Description

NPN germanium alloy transistor intended as AF low power amplifier / driver.
-

 
Text in other languages (may differ)
Dimensions (WHD)
incl. pins / tip
6 x 10 x mm / 0.24 x 0.39 x inch
Weight 1 g / 0.04 oz
Information source -- Collector info (Sammler)   Towers IVT

2sd96.png
2SD96: Funkschau 15/80
Egon Strampe

to1_ttt_310.gif 2SD96: TTT Steidle 1981
Günther Stabe † 19.8.20

Usage in Models 2= 1968?? ; 2= 1972? ; 2= 1973 ; 2= 1975?? ; 1= 1978??

Quantity of Models at Radiomuseum.org with this tube (valve, valves, valvola, valvole, válvula, lampe):9
 

You reach this tube or valve page from a search after clicking the "tubes" tab or by clicking a tube on a radio model page. You will find thousands of tubes or valves with interesting links. You even can look up radio models with a certain tube line up. [rmxtube-en]
  

Data Compliance More Information