radiomuseum.org
Please click your language flag. Bitte Sprachflagge klicken.

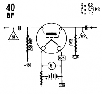
40

Information - Help 
ID = 5767
       
Country:
United States of America (USA)
Brand:
Developer: RCA (RCA Victor Co. Inc.); New York (NY) 
Tube type:  Triode, vacuum   Audio Frequency 
Identical to 40 = X140 = ER240 = 440 = PA240 = 240 = VT-40
Similar Tubes
Normally replaceable-slightly different:
  38040
Other class quality (otherwise equal):
  CV2501
First Source (s)
1927 : -- Collector info (Sammler)

Base UX-Base (4 Pins (2 thick, USA 1924, UX) (Codex=Bo)
Was used by Radio/TV-reception etc.
Filament Vf 5 Volts / If 0.25 Ampere / Direct / Battery =
Description

High mu triode, mu 30.

 
Dimensions (WHD)
incl. pins / tip
x 108 x 45 mm / x 4.25 x 1.77 inch
Weight 47 g / 1.66 oz
Tube prices 1 Tube prices (visible for members only)
Information source Essential Characteristics, GE 1973   
Tube Lore (II)   
Tube Lore (I)
Taschenbuch zum Röhren-Codex 1948/49
Tube Tester Data Avo CT160

40.png
40: Internet
Miguel Angel Trujillo-Rodriguez

171_14.png 40: Telefunken Werkstattbuch
Wolfgang Bauer


Just Qvigstad
40.png
40: Raytheon Databook 1937
Emilio Ciardiello

Usage in Models 3= 1928 ; 1= 1929 ; 1= 1933?? ; 1= 1950?

Quantity of Models at Radiomuseum.org with this tube (valve, valves, valvola, valvole, válvula, lampe):6

Collection of

 
rca_40_front.jpg

40
 

You reach this tube or valve page from a search after clicking the "tubes" tab or by clicking a tube on a radio model page. You will find thousands of tubes or valves with interesting links. You even can look up radio models with a certain tube line up. [rmxtube-en]
  

Data Compliance More Information