radiomuseum.org

BC304

Information - Hilfe 
ID = 38161
       
Land:
Italien / Italy
Marke: ATES; L’Aquila, Milano, Napoli, Roma
Typ:  Transistor   Niederfrequenz 
Identisch mit BC304
Ähnliche
Austauschbar, kleine Unterschiede mögl.
  40319 ; BC116 ; BC160 ; BC360 ; BC361 ; BC460 ; BFX88 ; BSV11 ; BSV15 ; BSV16 ; BSX41
Grenzwerte anders:
  BC143 ; BC161 ; BSX40

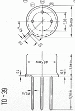
Sockel Drahtenden
Beschreibung Material/Aufbau/Pol.: Silizium Planar PNP;
Form/Case/Outline: TO-39 Anschlussfolge EBC;
Daten/electr.data: I F: 150 mA; U S: <0.65 V; Isp: <20 nA; ß (beta): 40-240*; N: 850 mW; Imax(Ic): 1 A; Umax(Ucb): -60 V; Umax(Uce): -45 V; f g(FT): 75 MHz; tmax j: 175 °C; kompl.: BC302.
Varianten: BC304-4 = 40-80*, BC304-5 = 70-140*, BC304-6 = 120-240* (beta-Gruppen).

Text in anderer Sprache (evtl. verschieden)
Abmessungen (BHT)
inkl. Stifte/Spitzli
9 x 7 x 8 mm / 0.35 x 0.28 x 0.31 inch
Gewicht 1 g / 0.04 oz
Literatur -- Collector info (Sammler)   TTT Steidle 1981, TVT 1979/80 ECA

to39_ttt_35.gif BC304: TTT Steidle 1981
Günther Stabe † 19.8.20

bc304_dat1.png
BC304: SGS-Ates
Thomas Günzel † 1.8.22

Mehr...
Verwendung in Modellen 1= 1970?? ; 1= 1971?? ; 1= 1971? ; 1= 1972 ; 1= 1973? ; 1= 1973 ; 1= 1974?? ; 1= 1974 ; 1= 1975?? ; 2= 1975

Anzahl Modelle bei Radiomuseum.org bestückt:11

Sammlung von

 
bc304.jpg

BC304
 

[rmxtube-ge, noindex]
  

Datenkonformität Mehr Informationen