radiomuseum.org

BDX53

Information - Aide 
ID = 36397
       
Pays:
Italy
Fabricant: ATES; L’Aquila, Milano, Napoli, Roma
Type:  Transistor   Power/Output 
Identique à BDX53
Similaires
Remplaçants avec petites différences :
  BD643 ; BD695 ; ON588
Première source
Mar.1978 : -- Collector info (Sammler)

Culot Wires
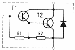
Description NPN silicon planar Darlington transistor intended as AF power amplifier.

Texte dans d'autres langues (peut différer)
Dimensions
(l x h x p)
incl.pins/tip
10 x 15 x 5 mm / 0.39 x 0.59 x 0.20 inch
Poids 4 g / 0.14 oz
Bibliographie -- Collector info (Sammler)   KTT 1969/70, TTT Steidle 1981

bdx53.png
BDX53
Egon Strampe

to220_12.gif BDX53: TVT 1979/80 ECA
Günther Stabe † 19.8.20

darl_l_npn_innen_4.png
BDX53: TTT Steidle 1981
Günther Stabe † 19.8.20

Plus d'infos ...
Utilisé dans modèles 1= 1975?? ; 1= 1979?? ; 1= 1980?? ; 1= 1981?? ; 1= 1981

Modèles de Radiomuseum.org avec ce composant :5

Collection de

 
bdx53_redimensionner.jpg

BDX53
 

[rmxtube-fr, noindex]
  

Mentions légales Plus d'informations