radiomuseum.org

C25M-02D

Information - Aide 
ID = 49522
       
Pays:
Japon
Fabricant: Common type Japan tube/semicond.
Type:  Solid-State-Diode   Alimentation 
Identique à C25M-02D

Culot Wires
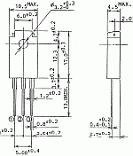
Description Aufbau/Content: Silicon Dual Power Rectifier;
Form/Case: ~ TO-220 Iso Anschlussfolge K1-A1/K2-A2;
Data: Vrrm: 200 V; Vrsm: 250 V; Io: 10 A; I fsm: 70 A; Vf: <1.3 V; Ir: <50 µA; trr: <0.4 µs; Tj: -40...+125 °C;
Variante: C25M-04D (ESAC25M-04D) = 400 V;
Full name: ESAC25M-02D; manufactured by Fuji Electric Co. Ltd. (J) - 
Dimensions
(l x h x p)
incl.pins/tip
11 x 17 x 5 mm / 0.43 x 0.67 x 0.20 inch
Poids 1 g / 0.04 oz
Bibliographie - - -   
- - Manufacturers Literature   Fuji
- - -
- - -

c25m02x_s_1.gif C25M-02D: Fuji
Günther Stabe † 19.8.20

esac25m02d_innen.png
C25M-02D: Fuji
Günther Stabe † 19.8.20

 

[rmxtube-fr, noindex]
  

Mentions légales Plus d'informations