radiomuseum.org
Please click your language flag. Bitte Sprachflagge klicken.

FDP18N50

Information - Help 
ID = 80055
       
Country:
United States of America (USA)
Brand: Fairchild Semiconductor Inc., South Portland/Maine
Tube type:  Transistor   Power-supply 
Identical to FDP18N50

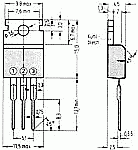
Base Wires
Description

Silicon N-channel MOS-FET, 500 V, 18 A, 0.22 Ω, 235 W
-

 
Text in other languages (may differ)
Dimensions (WHD)
incl. pins / tip
10 x 15 x 4 mm / 0.39 x 0.59 x 0.16 inch
Weight 2 g / 0.07 oz
Information source - - Manufacturers Literature   

to_220_ttt_1981~~38.gif FDP18N50: TTT Steidle 1981
Günther Stabe † 19.8.20

Collection of

 
fdp18n50.jpg

 

You reach this tube or valve page from a search after clicking the "tubes" tab or by clicking a tube on a radio model page. You will find thousands of tubes or valves with interesting links. You even can look up radio models with a certain tube line up. [rmxtube-en]
  

Data Compliance More Information