radiomuseum.org

FMX12S

Information - Hilfe 
ID = 42492
       
Land:
USA
Marke: Common type USA tube/semicond.
Typ:  Halbleiter-Diode   Stromversorgung 
Identisch mit FMX12S

Sockel Drahtenden
Beschreibung

Aufbau/Material/Pol.: Silizium Doppel-Diode;
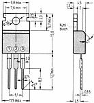
Form/Case: TO-220(-Iso) Anschlussfolge (A1-K1/K2-A2);
Daten/electr.data: Vrrm: 200 V; Irm: 50 µA, Ifsm: 35 A; Io: 5 A; trr: 30 ns.
-

 
Text in anderer Sprache (evtl. verschieden)
Abmessungen (BHT)
inkl. Stifte/Spitzli
10 x 15 x 5 mm / 0.39 x 0.59 x 0.20 inch
Gewicht 3 g / 0.11 oz
Literatur - - Manufacturers Literature   Allegro MicroSystems Inc. / Sanken (J)

to220_t_91.gif FMX12S: TTT Steidle 1981
Günther Stabe † 19.8.20

Sammlung von

 
fmx12s.jpg

 

[rmxtube-ge, noindex]
  

Datenkonformität Mehr Informationen