radiomuseum.org

Four-In-One

Information - Hilfe 
ID = 52457
       
Land:
Grossbritannien (UK)
Marke: Quadruple Valve Co., Ltd.; Nottingham
Entwickler: Quadruple Valve Co., Ltd.; Nottingham 
Typ:  VierfachTriode   Universal 
  Spät aber sehr selten. ***
Identisch mit Four-In-One
Erste Serie 1929 Tube Collector, June 2011, page 13.

Sockel SPEZIALSOCKEL allgemein
Heizung If 0.5 Ampere / Direkt / Batterieheizung =
Beschreibung

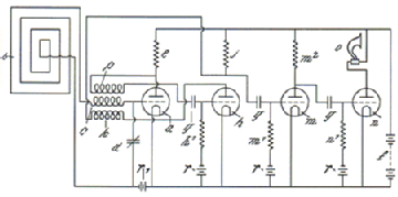
Quadruple Valve Co., Ltd., Nottingham has built the "Four-in one" valve in 1929. There were found two versions, one with the 4 horizontal triodes mounted in parallel as shown in the patent GB 280,258 and the other in a square formation. They have a total plate current of 8 mA at 80 - 120 V. A scaled-down version with three triodes is also known. See "Tube Collector" 13/3, June 2011 on page 13 with further references - also to pictures. See also the German "Polytron-4fach" from 1927 (Dr. G.O. Spanner GmbH). There are 12 pins on this tube but connections are not known.

 
Sammlerpreise 1 Sammlerpreise (nur sichtbar für Mitglieder Radiomuseum.org)
Literatur -- Collector info (Sammler)   BVWS bulletin vol. 24, no 1, 1999

four_in_one.png
Four-In-One: Retro Radio 2015 Dezember Nr.4
Rudolf Osterkamp

Sammlung von

 
four_in_one_bild1.png

Four-In-One
 

[rmxtube-ge, noindex]
  

Datenkonformität Mehr Informationen