radiomuseum.org
Please click your language flag. Bitte Sprachflagge klicken.

GD180

Information - Help 
ID = 42200
       
Country:
Germany
Brand: Röhrenwerk "Anna Seghers" Neuhaus a.R., VEB (RWN)
Tube type:  Transistor   Audio Frequency 
Identical to GD180
Similar Tubes
Normally replaceable-slightly different:
  4NU72 ; 5NU72 ; OC30 ; OC838
Predecessor Tubes OC838  
Successor Tubes GD243  

Base No base
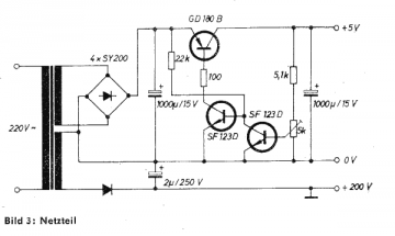
Description PNP germanium junction transistor intended as AF power amplifier 
Text in other languages (may differ)
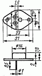
Dimensions (WHD)
incl. pins / tip
31 x 8 x 19 mm / 1.22 x 0.31 x 0.75 inch
Weight 8 g / 0.28 oz
Tube prices 1 Tube prices (visible for members only)
Information source

gd180.png
GD180
Egon Strampe

gd180_abmessung.gif GD180: Schubert, Das große Radiobastelbuch, 1980
Wolfgang Eckardt

gd160180.png
GD180: Halbleiter-Bauelemente 1978
Egon Strampe

More ...
Usage in Models 1= 1964 ; 1= 1970

Quantity of Models at Radiomuseum.org with this tube (valve, valves, valvola, valvole, válvula, lampe):2

Collection of

 
rwn_gd180.jpg

GD180
 

You reach this tube or valve page from a search after clicking the "tubes" tab or by clicking a tube on a radio model page. You will find thousands of tubes or valves with interesting links. You even can look up radio models with a certain tube line up. [rmxtube-en]
  

Data Compliance More Information