radiomuseum.org
Please click your language flag. Bitte Sprachflagge klicken.

HM9901

Information - Help 
ID = 72787
       
Country:
People's Republic of China
Brand: Common type China (PRC) tube/semicond.
Tube type:  IC - Integrated Circuit   Power-supply 
Identical to HM9901

Base Wires
Description


 
Text in other languages (may differ)
Weight 1 g / 0.04 oz
Information source - - Manufacturers Literature   H&Msemi

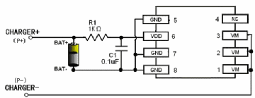
hm9901_umgeb1_charger.png
HM9901: H&Msemi
Günther Stabe † 19.8.20
    More ...
hm9901_sop8_s.png HM9901: H&Msemi
Günther Stabe † 19.8.20

hm9901_blockd.png
HM9901: H&Msemi
Günther Stabe † 19.8.20

Collection of

 
hm9901n.jpg

 

You reach this tube or valve page from a search after clicking the "tubes" tab or by clicking a tube on a radio model page. You will find thousands of tubes or valves with interesting links. You even can look up radio models with a certain tube line up. [rmxtube-en]
  

Data Compliance More Information