radiomuseum.org

IBM-047_TI

Información - Ayuda 
ID = 69700
       
País:
Estados Unidos
Marca: Common type USA tube/semicond.
Tipo:  Transistor   Universal 
Idéntica a IBM-047_TI

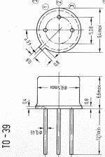
Base Wires
Descripción

PNP silicon planar transistor intended as fast switch.
-

 
Texto en otros idiomas puede diferir
Dimensiones
(Alt,Ancho,Prof.)
incl.pins/tip
9 x 7 x 8 mm / 0.35 x 0.28 x 0.31 inch
Peso 2 g / 0.07 oz
Literatura -- Collector info (Sammler)   IBM part list 1966

to_39_ttt~~55.gif IBM-047_TI: TTT Steidle 1981
Günther Stabe † 19.8.20

Colección personal de

 
ibm_047_ti.jpg

 

[rmxtube-en]
  

Cumplimiento de datos Más información